超聲波液位計是由微處理器控制的數字液位儀表。在測量中超聲波脈沖由傳感器(換能器)發出,聲波經液體表面反射后被同一傳感器接收或超聲波接收器,通過壓電晶體或磁致伸縮器件轉換成電信號,并由聲波的發射和接收之間的時間來計算傳感器到被測液體表面的距離。由于采用非接觸的測量,被測介質幾乎不受限制,可廣泛用于各種液體物料高度的測量。

聲科電子外貼式超聲波液位計特點:
1.具有抗干擾性強。可任意設置上下限節點及在線輸出調節,并帶有現場顯示,可選擇模擬量,開關量及RS485輸出,方便與相關設施接口。
2.采用聚丙烯或鋁合金防水外殼。殼體小巧但相當堅固,具有優良的耐化學品性,對于無機化合物,不論酸、堿、鹽溶液,除強氧化性物料外,幾乎都對其無破壞作用,對幾乎所有溶劑在室溫下均不溶解,一般烷、烴、醇、酚、醛、酮類等介質上均可使用。
3.重量輕、不結垢、不污染介質。
4.無毒性。可用于藥品、食品工業設備安裝,維修極為方便。
超聲波液位計測量原理及液位測量點:
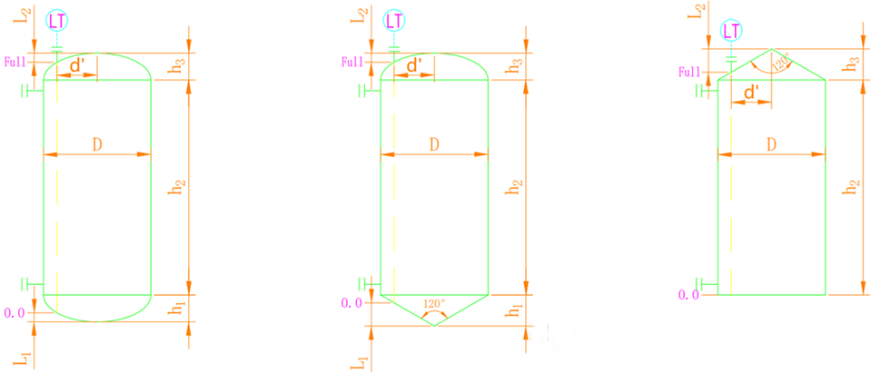
以下以超聲波液位計為例,介紹液位計安裝在儲罐筒體上的橢圓封頭、錐形封頭等實時液位對應的體積相關計算。

安裝在頂部的超聲波液位計,在測量中超聲波脈沖由傳感器發出,聲波經液體表面反射后被同一傳感器接收或超聲波接收器,通過壓電晶體或磁致伸縮器件轉換成電信號,并由聲波的發射和接收之間的時間來計算傳感器到被測液體表面的距離。見上圖所示,測量的最低液位(0液位)在液位計正下方的罐底部封頭處,測量的最高液位在超聲波發出點。
實際工況中遇到的問題及解決方案:
問題一:現場水池或罐內溫度高,影響超聲波液位計測量。故障現象:當水面靠近探頭時,可以測量,但當水面遠離探頭時,則無法測量。 水溫低時,超聲波液位計測量正常,水溫高時,超聲波液位計無法測量。
原因:液體介質在30-40℃以下一般不產生蒸汽和霧氣。 高于此溫度,易產生蒸汽或霧氣。 超聲波液位計發射的超聲波在發射過程中會通過蒸汽衰減一次,從液面反射回來。 當它需要再次衰減時,##返回到探頭的超聲波信號非常微弱,因此無法測量。 而且,在這種環境下,超聲波液位計探頭容易出現水滴,會阻礙超聲波的發射和接收。
解決方案:
1、增加量程,罐體實際高度為3米,應選用6米至9米的超聲波液位計。 可以減少或減弱蒸汽或霧氣對測量的影響。
2、探頭應采用聚四氟乙烯或聚偏氟乙烯制成,物理密封,這樣探頭的發射面不易凝結水滴。 水滴更容易凝結在其他材料的發射表面上。
問題二:現場有電磁干擾。
故障現象:超聲波液位計數據無規律跳動,或干脆無信號。
原因:工業現場會有很多電機、變頻器和電焊,影響超聲波液位計的測量。 電磁干擾會淹沒探頭接收到的回波信號。
解決方案:
1、超聲波液位計必須可靠接地。 接地后,電路板上的一些干擾會通過地線跑掉。 而且這個地線必須單獨接地,不能和其他設備共用一個地線。
2、電源不能與變頻器和電機相同,也不能直接從電力系統電源引出。
3、安裝地點應遠離變頻器、變頻電機、大功率用電設備。 如果無法遠離,應在液位計外安裝金屬儀表箱進行隔離和屏蔽,儀表箱也應接地。
問題三:進入盲區
故障現象:出現滿刻度或任意數據。
原因:超聲波液位計有盲區,一般在5米范圍內,盲區為0.3-0.4米。 10米范圍內為0.4-0.5米。 超聲波進入盲區后會出現任意值,無法正常工作。
解決方案:
1、安裝時必須考慮盲區的高度。 安裝后,探頭與最高水位的距離必須大于盲區。
以上原因可能會導致超聲波液位計工作不正常,所以在購買超聲波液位計時,一定要將現場的工作情況告訴有經驗的客服,以幫助您選擇型號,并建議如何安裝 它。 確保超聲波液位計工作正常。